Zündung Kokusan EVO 2 Plus Red Line 6 Volt
Sonderpreis 198,30 € Regulärer Preis 227,11 €
Auf Lager
SKU
119-E-UN18341
- Elektronische Zündung mit Kurve
- Kokusan EVO 2 Plus Red Line
- Neues Zündsystem mit automatischer Vorverstellung
- Maximales Drehmoment bei niedrigen Drehzahlen und schützt vor schädlicher Detonation bei höhere Drehzahlen (Vollgas)
- 12 Grad Verzögerung bei 10.000 U/min
- Dynamisch ausgewuchtetes Schwungrad
- Wird mit Handbuch geliefert
- 6 Volt
Unter anderem für: - Zundapp 50CC
- Kreidler
- Puch (Linksdrehende Motoren)
- Sachs
- Achtung: Teile wie Schwungrad und CDI Unit sind nicht mit anderen EVO 2 Zündungen austauschbar.
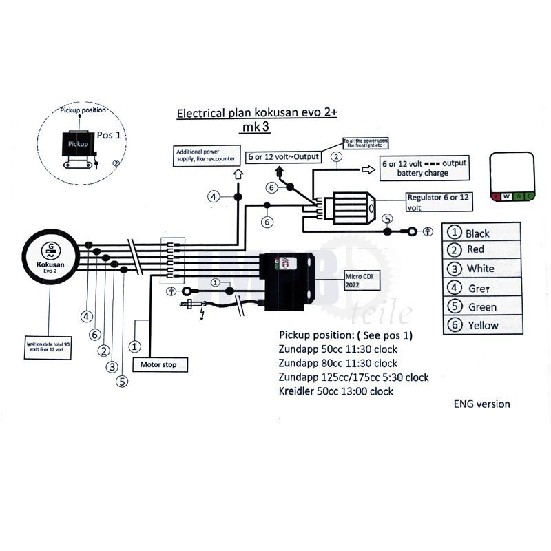
Inklusive: - Stator / Grundplatte Ø 90MM
- Schwungrad
- Spannungsregler
- Zündspule / CDi-Unit
- Kabelbaum
- Schauen Bilder für Größen
- Für 24.000 Drehzahl beachten Sie bitte, dass Sie möglicherweise einen Pulsreduzierer benötigen.
- Für 36.000 Drehzahl
- Montagetipps
- Das schwarze Kabel der Zündspule muss mit dem Motorblock Masse haben. Dies kann direkt (bevorzugt) oder indirekt über den Rahmen erfolgen.
- Unter anderem bei Zündapp macht der Motor mit dem Rahmen keine Masse, da er komplett in Gummis hängt. Sorgen Sie daher für ein zusätzliches Erdungskabel zwischen Block und Rahmen.
- Bei Masseverbindungen zum Rahmen muss der Befestigungspunkt immer blank ausgeführt werden. - Achtung: In Ausnahmefällen kann das Schwungrad gegen die 3 Bolzen der Zündung drücken. Dies ist in der Regel darauf zurückzuführen, dass die Kurbelwelle nach dem Anlassen nicht mehr im Originalzustand gebaut ist oder aus der Mitte heraus gebaut ist. Entfernen Sie die Ringe unter den Bolzen oder installieren Sie eine kürzere Bolzen.
- Zusätzliche Gewährleistungsinformationen
- Normalerweise gibt es keine Garantie auf elektronische Teile.
- Im unwahrscheinlichen Fall, dass es nicht funktioniert, kann es nur unter folgenden Bedingungen zurückgegeben werden:
- Noch neu, nie verwendet. Wenn es mehrere Wochen funktioniert hat, gibt es keine Garantie.
- In der Originalverpackung, wie geliefert.
- Mit den originalen Kabeln.
- Zündungen mit geschnittenen / hinzugefügten / gelöteten Kabeln werden nicht akzeptiert.
- Warum diese Garantieregeln?
- Wir und eine Reihe von unsere feste kunden testen viele dieser Entzündungen. "Out of the Box" funktionieren alle.
- Es geht oft schief durch ein falscher Masse, falscher Verbindung.
- Prüfen Sie, ob die Zündkerze zündet, hat der Zündkerze keine Masse dan geht die Zündspule sofort kaputt und so weiter.
- Daher diese Regeln.
- Elektronische Zündung mit Kurve
- Kokusan EVO 2 Plus Red Line
- Neues Zündsystem mit automatischer Vorverstellung
- Maximales Drehmoment bei niedrigen Drehzahlen und schützt vor schädlicher Detonation bei höhere Drehzahlen (Vollgas)
- 12 Grad Verzögerung bei 10.000 U/min
- Dynamisch ausgewuchtetes Schwungrad
- Wird mit Handbuch geliefert
- 6 Volt
Unter anderem für: - Zundapp 50CC
- Kreidler
- Puch (Linksdrehende Motoren)
- Sachs
- Achtung: Teile wie Schwungrad und CDI Unit sind nicht mit anderen EVO 2 Zündungen austauschbar.
Inklusive: - Stator / Grundplatte Ø 90MM
- Schwungrad
- Spannungsregler
- Zündspule / CDi-Unit
- Kabelbaum
- Schauen Bilder für Größen
- Für 24.000 Drehzahl beachten Sie bitte, dass Sie möglicherweise einen Pulsreduzierer benötigen.
- Für 36.000 Drehzahl
- Montagetipps
- Das schwarze Kabel der Zündspule muss mit dem Motorblock Masse haben. Dies kann direkt (bevorzugt) oder indirekt über den Rahmen erfolgen.
- Unter anderem bei Zündapp macht der Motor mit dem Rahmen keine Masse, da er komplett in Gummis hängt. Sorgen Sie daher für ein zusätzliches Erdungskabel zwischen Block und Rahmen.
- Bei Masseverbindungen zum Rahmen muss der Befestigungspunkt immer blank ausgeführt werden. - Achtung: In Ausnahmefällen kann das Schwungrad gegen die 3 Bolzen der Zündung drücken. Dies ist in der Regel darauf zurückzuführen, dass die Kurbelwelle nach dem Anlassen nicht mehr im Originalzustand gebaut ist oder aus der Mitte heraus gebaut ist. Entfernen Sie die Ringe unter den Bolzen oder installieren Sie eine kürzere Bolzen.
- Zusätzliche Gewährleistungsinformationen
- Normalerweise gibt es keine Garantie auf elektronische Teile.
- Im unwahrscheinlichen Fall, dass es nicht funktioniert, kann es nur unter folgenden Bedingungen zurückgegeben werden:
- Noch neu, nie verwendet. Wenn es mehrere Wochen funktioniert hat, gibt es keine Garantie.
- In der Originalverpackung, wie geliefert.
- Mit den originalen Kabeln.
- Zündungen mit geschnittenen / hinzugefügten / gelöteten Kabeln werden nicht akzeptiert.
- Warum diese Garantieregeln?
- Wir und eine Reihe von unsere feste kunden testen viele dieser Entzündungen. "Out of the Box" funktionieren alle.
- Es geht oft schief durch ein falscher Masse, falscher Verbindung.
- Prüfen Sie, ob die Zündkerze zündet, hat der Zündkerze keine Masse dan geht die Zündspule sofort kaputt und so weiter.
- Daher diese Regeln.
inkl. MwSt. zzgl. Versandkosten
Diese Artikel könnten Ihnen eventuell auch gefallen!
Bewertungen
Keine Bewertungen
Schreiben Sie eine Bewertung
Häufig gestellte Fragen zu diesem Produkt
Keine Fragen gefunden

























